MODUL 4 - RLC SERI DAN RLC PARALEL
MODUL 4
MODUL 4 - RLC SERI DAN RLC PARALEL
1. Pendahuluan [Kembali]
2. Tujuan [Kembali]
- Dapat mengetahui bagaimana prinsip kerja rangkaian RLC seri dan RLC paralel
- Dapat membuktikan impedansi (Z) dari sebuah rangkaian RLC seri dan RLC paralel
- Dapat mempelajari hubungan antara impedansi dengan reaktansi kapasitif, reaktansi induktif, dan sudut fasa pada rangkaian RLC seri dan RLC paralel
- Dapat membuktikan hubungan antara tegangan (V), tegangan melewati R (VR), dan tegangan melewati C (VC), tegangan melewati L (VL).
3. Alat dan Bahan [Kembali]
A. Alat
2. Module
3. Base Station
4. Jumper
B. Bahan
Resistor
Kapasitor
Induktor
Lampu
4. Dasar Teori [Kembali]
A. Resistor
Resistor merupakan komponen penting dan sering dijumpai dalam sirkuit Elektronik. Boleh dikatakan hampir setiap sirkuit Elektronik pasti ada Resistor. Tetapi banyak diantara kita yang bekerja di perusahaan perakitan Elektronik maupun yang menggunakan peralatan Elektronik tersebut tidak mengetahui cara membaca kode warna ataupun kode angka yang ada ditubuh Resistor itu sendiri.
Seperti yang dikatakan sebelumnya, nilai Resistor yang berbentuk Axial adalah diwakili oleh Warna-warna yang terdapat di tubuh (body) Resistor itu sendiri dalam bentuk Gelang. Umumnya terdapat 4 Gelang di tubuh Resistor, tetapi ada juga yang 5 Gelang.
Gelang warna Emas dan Perak biasanya terletak agak jauh dari gelang warna lainnya sebagai tanda gelang terakhir. Gelang Terakhirnya ini juga merupakan nilai toleransi pada nilai Resistor yang bersangkutan.
Tabel dibawah ini adalah warna-warna yang terdapat di Tubuh Resistor :
Tabel Kode Warna Resistor
Perhitungan untuk Resistor dengan 4 Gelang warna :
Cara menghitung nilai resistor 4 gelang
Masukkan angka langsung dari kode warna Gelang ke-1 (pertama)
Masukkan angka langsung dari kode warna Gelang ke-2
Masukkan jumlah nol dari kode warna Gelang ke-3 atau pangkatkan angka tersebut dengan 10 (10n)
Merupakan Toleransi dari nilai Resistor tersebut
Contoh:
Gelang ke 1 : Coklat = 1
Gelang ke 2 : Hitam = 0
Gelang ke 3 : Hijau = 5 nol dibelakang angka gelang ke-2; atau kalikan 105
Gelang ke 4 : Perak = Toleransi 10%
Maka nilai Resistor tersebut adalah 10 * 105 = 1.000.000 Ohm atau 1 MOhm dengan toleransi 10%
Perhitungan untuk resistor dengan 5 gelang warna
Masukkan angka langsung dari kode warna Gelang ke-1 (pertama)
Masukkan angka langsung dari kode warna Gelang ke-2
Masukkan angka langsung dari kode warna Gelang ke-3
Masukkan jumlah nol dari kode warna Gelang ke-4 atau pangkatkan angka tersebut dengan 10 (10n)
Merupakan Toleransi dari nilai Resistor tersebut
Gelang ke 1 : Coklat = 1
Gelang ke 2 : Hitam = 0
Gelang ke 3 : Hijau = 5
Gelang ke 4 : Hijau = 5 nol dibelakang angka gelang ke-2; atau kalikan 105
Gelang ke 5 : Perak = Toleransi 10%
Kuning, Ungu, Orange, Perak → 47 * 10³ = 47.000 Ohm atau 47 Kilo Ohm dengan 10% toleransi
2200 – 5% = 2.090
2200 + 5% = 2.310
A. Resistor
Kapasitor (Kondensator) yang dalam rangkaian elektronika dilambangkan dengan huruf "C" adalah suatu alat yang dapat menyimpan energi/muatan listrik di dalam medan listrik, dengan cara mengumpulkan ketidakseimbangan internal dari muatan listrik. Kapasitor ditemukan oleh Michael Faraday (1791-1867). Satuan kapasitor disebut Farad (F). Satu Farad = 9 x 1011 cm2 yang artinya luas permukaan kepingan tersebut. Struktur sebuah kapasitor terbuat dari 2 buah plat metal yang dipisahkan oleh suatu bahan dielektrik. Bahan-bahan dielektrik yang umum dikenal misalnya udara vakum, keramik, gelas dan lain-lain. Jika kedua ujung plat metal diberi tegangan listrik, maka muatan-muatan positif akan mengumpul pada salah satu kaki (elektroda) metalnya dan pada saat yang sama muatan-muatan negatif terkumpul pada ujung metal yang satu lagi. Muatan positif tidak dapat mengalir menuju ujung kutub negatif dan sebaliknya muatan negatif tidak bisa menuju ke ujung kutub positif, karena terpisah oleh bahan dielektrik yang non-konduktif. Muatan elektrik ini tersimpan selama tidak ada konduksi pada ujung-ujung kakinya. Di alam bebas, phenomena kapasitor ini terjadi pada saat terkumpulnya muatan-muatan positif dan negatif di awan.
C. Induktor
Induktor adalah komponen pasif yang terdiri dari kumparan kawat yang melingkar pada inti magnetik. Ketika arus listrik mengalir melalui kumparan tersebut, sebuah medan magnet dihasilkan di sekitar induktor.
Perubahan arus listrik dalam induktor menghasilkan tegangan balik yang dikenal sebagai induktansi. Pengukuran induktansi biasanya dilakukan dalam satuan henry (H).
D. Induktor
Rangkaian RLC adalah rangkaian listrik yang tersusun atas resistor, induktor, dan kapasitor baik secara seri maupun paralel. Rangkaian ini dapat dikatakan rangkaian RLC karena sesuai dengan lambang dari masing masing komponennya yaitu, ketahanan atau hambatan (R), induktor (L), dan kapasitor (C).
1. RLC Seri
Rangkaian seri RLC pada arus bolak-balik terdiri dari resistor (R), induktor (L) dan kapasitor (C) yang dihubungkan dengan sumber tegangan AC dan disusun secara seri. Hambatan yang dihasilkan oleh resistor disebut resistansi, hambatan yang dihasilkan oleh induktor disebut reaktansi induktif (XL), dan hambatan yang dihasilkan oleh kapasitor disebut reaktansi kapasitif (XC). Ketiga besar hambatan tersebut ketika digabungkan dalam disebut impedansi (Z) atau hambatan total.
Ketiga hambatan tersebut (R, XL dan XC) mengalir arus (i) yang sama sehingga diagram fasor arus diletakkan pada t=0. Tegangan pada resistor (VR) berada pada fasa yang sama dengan arus, tegangan (VL) pada reaktansi induktif (XL) mendahului arus sejauh 90º, dan tegangan (VC) pada reaktansi kapasitif (XC) tertinggal oleh arus sejauh 90º
Impedansi pada rangkaian RLC seri bisa dihitung dengan rumus :
Sedangkan impedansi juga dapat dihitung dengan menggunakan sudut :
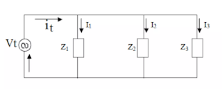
2. RLC Parallel
Rangkaian RLC paralel adalah sebuah rangkaian listrik yang terdiri dari resistor (R), induktor (L), dan kapasitor (C) yang terhubung secara paralel.
Impedansi dari rangkaian RLC paralel dapat dihitung dengan :
Pada rangkaian RLC paralel di atas, kita dapat melihat bahwa tegangan suplai, V S, berlaku umum untuk ketiga komponen sedangkan arus suplai I S terdiri dari tiga bagian. Arus yang mengalir melalui resistor, I R , arus yang mengalir melalui induktor, I L dan arus yang melalui kapasitor, I C . Tetapi arus yang mengalir melalui setiap cabang dan oleh karena itu setiap komponen akan berbeda satu sama lain dan juga terhadap arus suplai, I S . Total arus yang diambil dari suplai tidak akan menjadi jumlah matematis dari tiga arus cabang individual namun jumlah vektornya.



















Komentar
Posting Komentar